

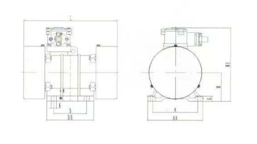
| 型號 | 激振力(KN) | 轉速(r/min) | 功率(KW) | 電流(A) | 電壓(V) | 安裝尺寸(mm) | 外形尺寸(mm) | |||||||
| A | B | K | H | AA | BB | G | L | H1 | ||||||
YBZH112-2.5-2 | 2.5 | 2820 | 0.25 | 0.69 | 380 | 180 | 110 | 4-Φ14 | 112 | 220 | 160 | 18 | 348 | 327 |
YBZH112-5-2 | 5 | 2820 | 0.44 | 1.01 | 380 | 180 | 140 | 4-Φ18 | 112 | 220 | 190 | 18 | 388 | 327 |
YBZH112-8-2 | 8 | 2820 | 0.55 | 1.65 | 380 | 180 | 140 | 4-Φ18 | 112 | 220 | 190 | 18 | 388 | 327 |
YBZH112-10-2 | 10 | 2820 | 0.75 | 2.15 | 380 | 180 | 140 | 4-Φ18 | 112 | 220 | 190 | 18 | 388 | 327 |
YBZH112-2.5-4 | 2.5 | 1420 | 0.13 | 0.52 | 380 | 180 | 110 | 4-Φ14 | 112 | 220 | 160 | 18 | 348 | 327 |
YBZH112-5-4 | 5 | 1420 | 0.25 | 0.99 | 380 | 180 | 110 | 4-Φ14 | 112 | 220 | 160 | 18 | 348 | 327 |
YBZH112-16-2 | 16 | 2850 | 1.1 | 2.5 | 380 | 180 | 140 | 4-Φ18 | 125 | 220 | 190 | 20 | 388 | 340 |
YBZH112-8-4 | 8 | 1420 | 0.45 | 1.59 | 380 | 180 | 140 | 4-Φ18 | 125 | 220 | 190 | 20 | 388 | 340 |
YBZH112-10-4 | 10 | 1420 | 0.55 | 1.73 | 380 | 180 | 140 | 4-Φ18 | 125 | 220 | 190 | 20 | 388 | 340 |
YBZH112-2.5-6 | 3 | 950 | 0.2 | 0.84 | 380 | 180 | 140 | 4-Φ18 | 125 | 220 | 190 | 20 | 388 | 340 |
YBZH112-5-6 | 5 | 950 | 0.4 | 1.68 | 380 | 180 | 140 | 4-Φ18 | 125 | 220 | 190 | 20 | 388 | 340 |
YBZH112-8-6 | 8 | 960 | 0.55 | 1.84 | 380 | 180 | 140 | 4-Φ18 | 125 | 220 | 190 | 20 | 445 | 340 |
YBZH112-20-2 | 20 | 2850 | 1.5 | 3.3 | 380 | 220 | 160 | 4-Φ26 | 140 | 270 | 230 | 25 | 460 | 368 |
YBZH112-16-4 | 16 | 1420 | 0.75 | 2.1 | 380 | 220 | 160 | 4-Φ26 | 140 | 270 | 230 | 25 | 460 | 368 |
YBZH112-20-4 | 20 | 1420 | 1.1 | 2.7 | 380 | 220 | 160 | 4-Φ26 | 140 | 270 | 230 | 25 | 460 | 368 |
YBZH112-10-6 | 10 | 960 | 0.75 | 2.5 | 380 | 220 | 160 | 4-Φ26 | 140 | 270 | 230 | 25 | 460 | 368 |
YBZH112-30-2 | 30 | 2850 | 2.2 | 4.7 | 380 | 220 | 160 | 4-Φ29 | 170 | 270 | 230 | 25 | 480 | 395 |
YBZH112-30-4 | 30 | 1440 | 1.5 | 3.84 | 380 | 260 | 180 | 4-Φ29 | 170 | 270 | 260 | 25 | 510 | 395 |
YBZH112-16-6 | 16 | 960 | 1.1 | 3.37 | 380 | 260 | 180 | 4-Φ29 | 170 | 320 | 260 | 25 | 530 | 395 |
YBZH112-20-6 | 20 | 960 | 1.5 | 4.59 | 380 | 260 | 180 | 4-Φ29 | 170 | 320 | 260 | 25 | 530 | 395 |
YBZH112-30-6 | 30 | 960 | 2.2 | 6.5/3.7 | 380/660 | 320 | 200 | 4-Φ33 | 200 | 400 | 300 | 30 | 560 | 470 |
YBZH112-40-6 | 40 | 960 | 3 | 8.05/4.6 | 380/660 | 320 | 200 | 4-Φ33 | 200 | 400 | 300 | 30 | 560 | 470 |
YBZH112-50-4 | 50 | 1440 | 2.2 | 9.6/5.5 | 380/660 | 320 | 200 | 4-Φ33 | 200 | 400 | 300 | 30 | 560 | 470 |
YBZH112-50-6 | 50 | 960 | 3.7 | 9.6/5.5 | 380/660 | 370 | 200 | 4-Φ39 | 225 | 460 | 300 | 32 | 630 | 530 |
YBZH112-75-6 | 75 | 960 | 5.5 | 14.4/8.2 | 380/660 | 370 | 260 | 4-Φ45 | 225 | 460 | 440 | 35 | 820 | 540 |
YBZH112-100-6 | 100 | 960 | 7.5 | 19/10.9 | 380/660 | 370 | 260 | 4-Φ45 | 225 | 460 | 440 | 35 | 820 | 540 |